中国政府网
|
重庆市人民政府网
无障碍
关怀版
农业政务邮箱
登录
|
注销
注册
网站支持IPV6
各直属单位
各直属单位
重庆市农业科学院
重庆市农业广播电视学校
重庆市畜牧科学院
ac米兰app官方入口
ac米兰官方app下载
AC米兰app下载安卓手机
ac米兰官方app
重庆市动物疫病预防控制中心
重庆市农业综合行政执法总队
重庆市农产品质量安全中心
ac米兰官方
重庆市农业机械化学校
重庆市农村土地整治中心
重庆市农业机械化技术推广总站
全站检索
首页
足球直播高清免费观看
办事服务
服务事项
办件公示
ac米兰app官方
专题专栏
您当前的位置:
首页
>
足球直播高清免费观看
>
政府信息公开专栏
>
法定主动公开内容
>
预算/决算
>
决算公开
[ 索引号 ]
11500000MB1763499T/2022-00644
[ 发文字号 ]
[ 主题分类 ]
农业、林业、水利
[ 体裁分类 ]
财政预算、决算
[ 发布机构 ]
ac米兰足球直播入口
[ 成文日期 ]
2022-08-15
[ 发布日期 ]
2022-08-18
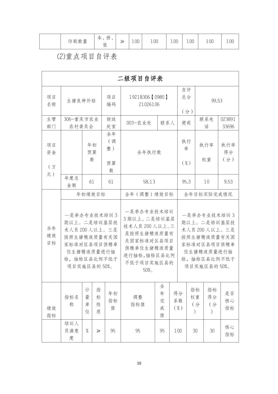
重庆市畜牧技术推广总站2021年度部门决算情况说明
语音播报
语音合成中,请耐心等待...
进入播报模式
语音播报
退出播报模式
扫一扫在手机打开当前页
微博
微信
11004919
重庆市畜牧技术推广总站2021年度部门决算情况说明
169033
决算公开
2022-08-18
map